欢迎光临Jiangsu Haohong Hydraulic Technology Company(江苏浩泓液压科技有限公司)官网!
品质 高效 专业拼搏 创新
全国咨询热线:18036757322
联系我们
Jiangsu Haohong Hydraulic Technology Company(江苏浩泓液压科技有限公司)
全国免费服务热线:18036757322
手机:18036757322
邮箱:haohonghydraulic@gmail.com
地址 :江苏省淮安市淮阴区芜湖路97号
联系人:田经理
6Z50 Solenoid Operated Directional Control Valve

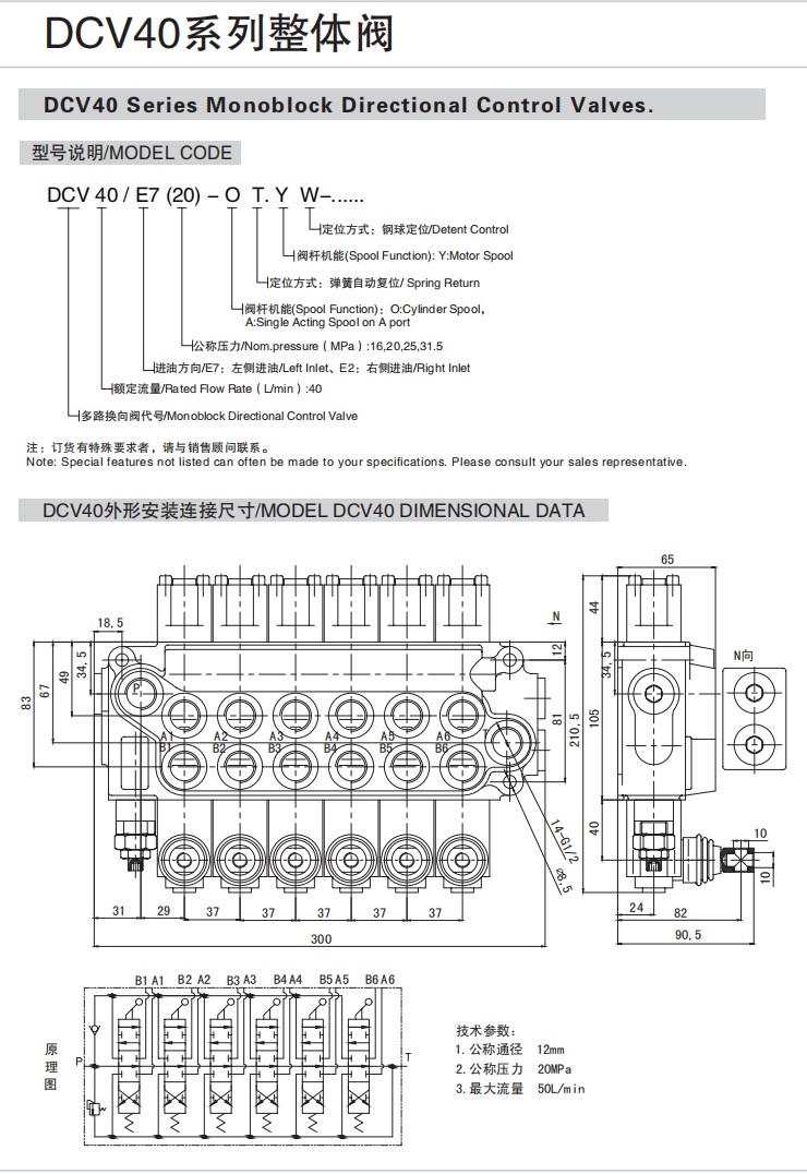
Z50 – Solenoid directional control valve Z50系列电磁控整体式多路换向阀

The monoblock directional control valves-solenoid operated, offer perfect choice whether you are designing a new system or just simply trying to get more out of your current system. With two special spools and 7 different monoblock housings these valves can meet the specific needs of your application and hydraulic schemes by their double acting in 3 positions A and D spools.


Solenoid directional control valve 电磁控制多路换向阀
Spools: 1 to 7 最大联数可做到7联
Max Flow up to 50Lpm 最大流量:80升/分钟
Max. Pressure up to 315Bar 最大压力:31.5兆帕


Features:特性

  • Built-in check valve: The check valve inside the valve body is to ensure the hydraulic oil does not return.

  • 单向阀:防止液压油回流

  • Built-in relief valve: The relief valve inside the valve body is provided to adjust the hydraulic system working pressure.

  • 溢流阀:调整进入液压系统的工作压力

  • Oil way: Parallel circuit, power beyond option

  • 油路:并联,可选择带过桥

  • Coils, Connector ISO4400: 12VDC, 24VDC

  • 电压:12伏,24伏

  • Threads: P,T ports – G1/2″, A,B ports – G3/8″

  • 油口螺纹:P(进油口),T(回油口):G1/2,A、B(工作油口):G3/8

  • Valve Construction: Monoblock construction, 1-7 spools.整体式结构,1-7联

  • Bores are honed precisely and fine spool grinding results in less cross-port leakage and hence less heat generated.

  • 内孔经过精确珩磨,阀芯经过精细研磨,减少端口泄漏,从而降低了发热量。

  • 6Z50 Solenoid Operated Directional Control Valve Z50六联电磁控整体式多路阀

  • 6Z50 A ES3 24 VDC | 6Z50-A-ES3-24-VDC

  • Directional control valves are one of the core elements in a hydraulic system. They help directing the fluid to different components such as hydraulic cylinders or motors.

  • Directional control valves perform three functions:

  • Stop fluid flow

  • Allow fluid flow

  • Change direction of fluid flow.

  • There is a part called «spool» inside control valve which can be operated mechanically or electrically. The movement of the spool lets oil flow or blocks the oil flow in other words it controls the movement of fluid. Hydropack provide solenoid operated on-off directional control valves with different capacities and spool types.

  • * Spool is open center “A” spool with spring return. Working port threads (A & B) are G 3/8"

  • * Max. Pressure P: 315 bar, T: 50 bar, A-B: 300 bar


在线客服
服务热线

服务热线

18036757322

微信咨询
返回顶部