欢迎光临Jiangsu Haohong Hydraulic Technology Company(江苏浩泓液压科技有限公司)官网!
品质 高效 专业拼搏 创新
全国咨询热线:18036757322
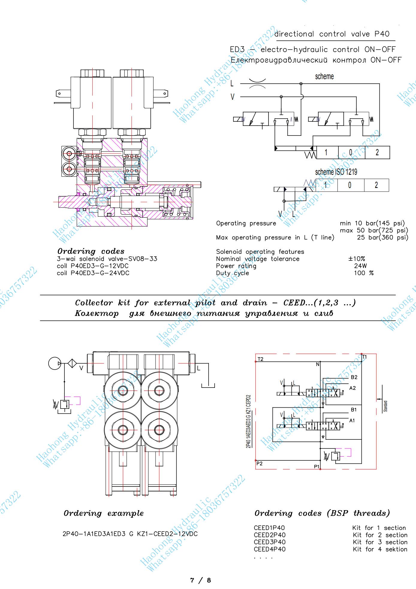
P40 4 Spools Manual and Electro-hydraulic Hydraulic Directional Control Valve(手动、电液控)
Control Method

electro-hydraulic

Presure Medium

Mineral oil based hydraulic oil

Nominal Flow

40 L/min (10.5 gpm)

Viscosity Range

12 CST-400 CST

Operating Pressure

Maximum 250 bar at P Port

Internal Leakage

15 cc/min at 160 bar, 50℃

Ambient Temp

-40°C to +80°C (-40°F to +176°F)

Spool Stroke

±6mm

Valve Structure

Monoblock Valve

Valve Surface

Phosphating treating

Valve Sections

1-7 sections

Rustproof Level

Neutral salt spray test, 48hours

Description

Introducing the P40 Electro-hydraulic Directional Control Valve – a cost-effective and versatile solution for precise control in hydraulic systems. The P40 series comprises economical monoblock valves with a compact structure and stable performance, making it an ideal choice for a wide range of applications.

With its parallel circuit type, the P40 valve seamlessly integrates into hydraulic systems, providing efficient control and ensuring optimal performance. Its monoblock structure allows for easy installation and maintenance, while offering flexibility with 1-7 sections to meet specific system requirements.

The P40 valve stands out for its exceptional value, offering a low price without compromising on quality or versatility. Whether you’re a small business or a large-scale manufacturer, the P40 valve provides reliable support, helping you enhance productivity while minimizing costs.

Experience the reliability and performance of the P40 Electro-hydraulic Directional Control Valve. Its compact design and stable operation make it a standout choice in the industry. Suitable for various applications and capable of withstanding demanding conditions, the P40 valve ensures consistent performance and durability.


在线客服
服务热线

服务热线

18036757322

微信咨询
返回顶部