In-Line Valve(行走附属阀)
Hydraulic distributor(液压多路阀)
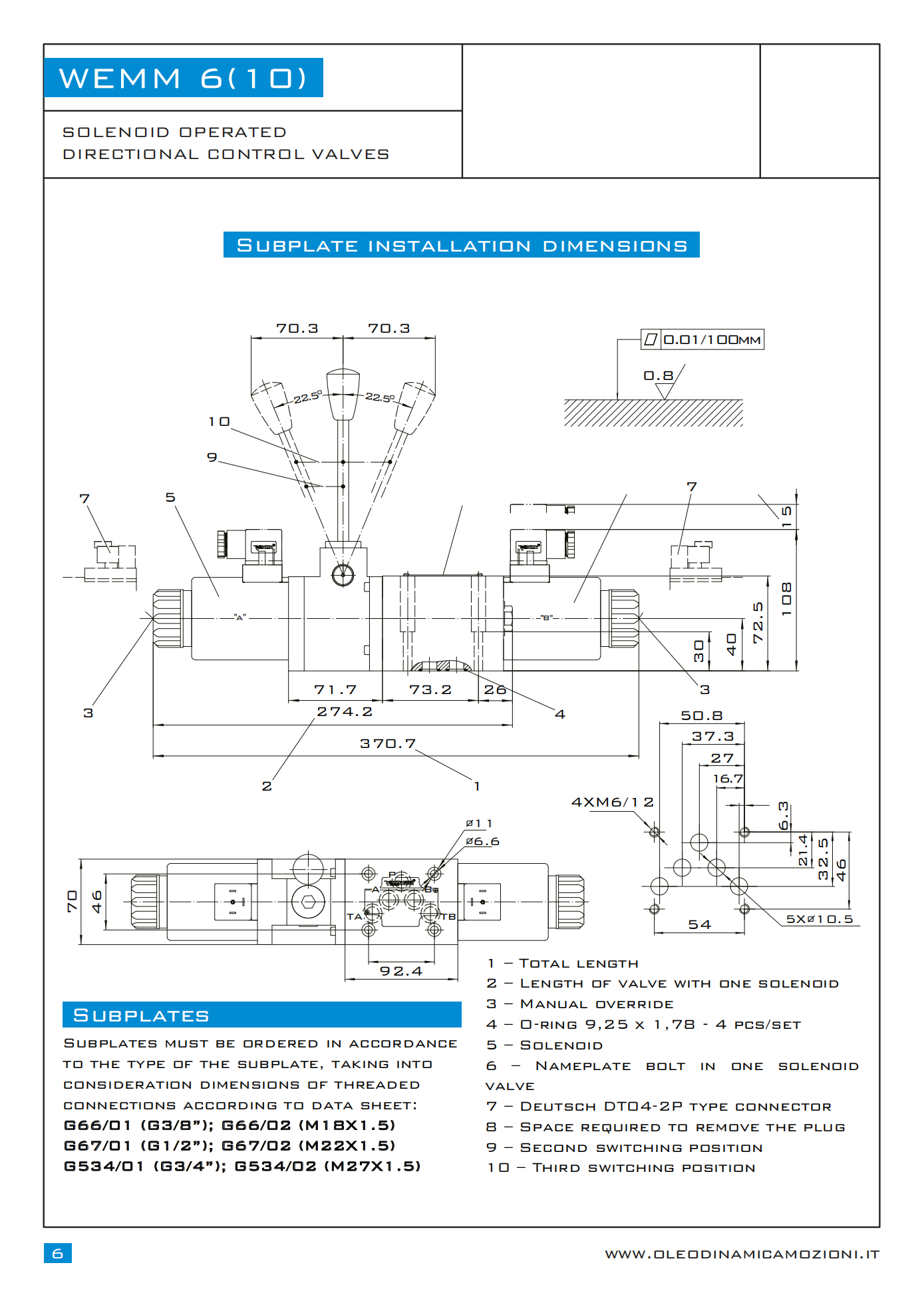
Industrial Valve (工业阀)
Accessory parts(附属件)
Dump Truck Parts(自卸车)
Gear Pump(齿轮泵)
Hydraulic Motor(液压马达)
产品解析
公司日常
江苏浩泓液压说明书
Double Pilot Operated Check Valves(液压锁)
Hydraulic Check Valves
Counterbalance Valve(平衡阀)
Single Pilot Operated Check Valves(液控单向阀)
In-line Sequence Valve(管式顺序阀)
Relief Valve(溢流阀)
Flow Control Valve(流量阀)
Flow Diverter(同步分流阀)
Multiple Selector Valve(多回路选择阀)
Check Valves
Monoblock-40L(40升整体式)
Monoblock-45L(45升整体式)
Monoblock-80L(80升整体式)
Monoblock-120L(120升整体)
Sectional-60L(60升片式)
Sectional-90L(90升片式)
Sectional-100L(100升片式)
Sectional-140L(140升片式)
Sectional-200L(200升片式)
联合系列压力控制阀
联合系列方向控制阀
力士乐系列压力控制阀
力士乐系列方向控制阀
力士乐系列叠加阀
油研系列压力控制阀
油研系列方向控制阀
油研系列叠加阀
同步马达
手动泵
船舶液压阀
阀组
JCB GEAR PUMP
John Deere
Parker
服务热线